電磁界解析ソフトウェアEMSolution

かご型誘導電動機の一極分でのモデル化

概要

かご型誘導電動機の二次元解析は,"誘導電動機の解析"でロータバーの導電率をエンドリングの抵抗も含めて補正し,SUFCUR(面流入電流ソース)を用いて,その軸方向電流面積分値のトータルをゼロにする方法を,"かご型誘導機の二次元解析におけるロータバーとエンドリングの取り扱い"でエンドリングを仮想抵抗として近似し,ロータバーを含めた等価回路としてモデル化する方法を示しました。使用したモデルは二極分のモデルで,一極分のモデルでも適用できる方法ですが,多少工夫が必要ですので説明致します。

解説

"誘導電動機の解析"のモデルはロータバー数が二極分で17本と奇数であるため,20本として新たに作成したものを使用します。20本という数はあくまでも計算上適当に決定した数であるため,特性が向上するなどの効果は期待できないことをご承知置きください。なお,スキュー無しのモデルとします。

二極分180度モデル

"誘導電動機の解析"の繰り返しになりますが,まず二極分180度モデルでの解析方法を示します。次にそれを一極分90度モデルにする際の注意点を述べ,180度モデルと90度モデルの結果を比較します。二極分180度モデルをFig.1に示します。

Fig.1 二極分180度モデル
解析メッシュ

方法①

まず,SUFCURで定義し,ロータバーの導電率をエンドリングの抵抗を含めて補正する場合について示します。補正方法は文献(1),(2)に示し てある方法を採用します。二極分でロータバーSUFCUR定義する理由は,二極分でロータバーに流れる電流の積分値(和)をゼロとする拘束条件とするためです。SUFCURを電流ゼロの定電流源に接続して解析します。エンドリングに流れる電流$I_r$は,ロータバーに流れる電流$I_b$,回転子スロット数$N_2$,極数$P$より次のように表せます(1)

$$I_r = \frac{N_2}{P \pi}I_b     (1)$$

エンドリングの抵抗は,ロータバー間のエンドリング抵抗をロータバー1本あたりに換算して次式で計算します(1,2)

$$R_{r2D} = R_b + R_r \frac{N_2}{(P \pi)^2}     (2)$$

ここで,$R_b$はロータバーの抵抗,$R_r$はエンドリングの抵抗で,次式によって計算されます。

$$R_b = \frac {1}{\sigma_0} \cdot \frac{I_b}{S_b}     (3)$$

$$R_r = 2 \frac{1}{\sigma_0} \cdot \frac{I_r}{S_r}     (4)$$

ここで,$l_b$はロータバーの長さ,$S_b$はバーの断面積,$l_r$はエンドリング周長,$S_r$はエンドリングの断面積,$σ_0$は二次導体の導電率です。$R_r$が2倍は上下分を表しています。なお,NETWORKでのエンドリング抵抗設定時に使用するロータバー間のエンドリングの抵抗は,(4)式を回転子スロット数で割った次式で表されます。

$$(R_r)_{one} = \frac{1}{\sigma_0} \cdot \frac{I_r}{S_r} \cdot \frac{1}{N_2}     (5)$$

二次元解析におけるロータバー1本あたりの抵抗値$R_{r2D}$は,スロット断面積をロータバー断面積とし,鉄心長$l$をロータバーの長さとしているため(スキューが無い場合は,$l=l_b$),実効導電率$σ_{eff}$は,

$$R_{r2D} = \frac{1}{\sigma_{eff}} \cdot \frac{l}{S_b}     (6)$$

として表せます。よって実効導電率$σ_{eff}$は以下の式より求められます。

$$\sigma_{eff} = \frac{l}{R_{r2D}S_b} = \frac{R_b}{R_{r2D}} \sigma_0     (7)$$

今回使用するロータバーを二極分20本としたモデルでの実効導電率は,ロータバー断面積を要素断面積である1.41×$10^{-5}m^2$,エンドリング断面積を文献(2)の寸法から1.781×$10^{-5}m^2$,エンドリング周長を0.19m,二次導体であるアルミの導電率を2.9841×$10^7$S/mとして算出すると,1.0598×$10^7$S/mとなります。元のモデルの値1.02×$10^7$S/mより大きな値となりますが,元のモデルは温度上昇による抵抗補正を行っているためだと考えられます。今回は寸法,カタログ値のみを使用して計算を行います。

方法②

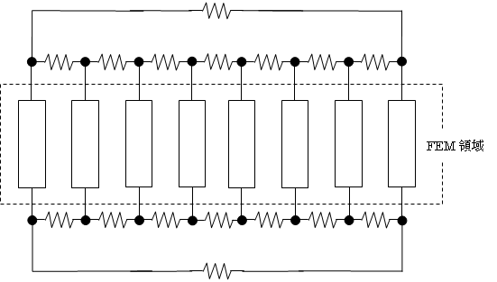
NETWORKでエンドリングを抵抗として模擬する場合について示します。ロータバーの導電率をアルミのそれとし,エンドリングの抵抗は,(5)式 よりロータバー間のエンドリング抵抗として算出した8.9394μΩを使用します(元のモデルの値10.50μΩ)。Fig.2のようにNETWORKで ロータバーとエンドリングを結線します。1/2モデルですのでREGION_FACTOR=2とし,エンドリングの抵抗を2倍して設定します。

Fig.2 二極分のロータバーと
エンドリングの等価回路

Fig.3 固定子一次巻き線の電流変化(180度モデル)

Fig.4 トルク変化(180度モデル)

一極分90度モデル

次に,一極分90度モデルをFig.5に示します。90度モデルでも同様に,方法①SUFCURと②NETWORKを適用してみます。

Fig.5 一極分90度モデル
解析メッシュ

方法①

90度モデルで①SUFCURを適用する場合,少々設定を変える必要があります。二極分のモデルでは極間で電流がループするため,例えば片側の一極で+Z 方向に流れた電流はもう一極側から-Z方向に入ってくることになります。それに対し一極分のモデルでは,一極分のモデルでは電流は極間でループでき ず,+Zもしくは-Z方向に流れ出る軸方向でループする電流となります。そのため,軸方向の電流の総和をゼロにするという拘束条件が必要となります。よっ て,SUFCURを電圧ゼロの定電圧源に接続することで解析可能となります。また,二次元解析ですので,上下面に$B_n$=0の境界条件を設定すれば,導電率 に応じた電流が流れて電流は保存され,上下面での電流の和はゼロとなります。そのため,SUFCURを使わずともロータバーを補正した導電率を与えた導体 として定義することもできます。

方法②

NETWORKを一極分に適用することを考えます。ロータバーとエンドリングに流れる一周期分の電流は二極分であり,Fig.6のように表せます。 エンドリングの電流の流れる方向に着目しますと,上側と下側を交差して結線することで一極分を表せることがわかります。よって,Fig.7のように結線す ることで一極分でのモデル化が可能となります。この方法はかご型誘導機に限らず,発電機や大型の界磁巻線型同期機でかご(短絡環)を持つ形状のものにも適用できます。この場合も REGION_FACTORの設定値とエンドリングの抵抗をREGION_FACTOR倍することに注意が必要です。1/4モデルですので REGION_FACTOR=4とし,エンドリングの抵抗を4倍とします。

Fig.6 二極分(一極対)のロータバーとエンドリングに流れる電流

Fig.7 一極分のロータバーと
エンドリングの等価回路

180度モデル同様,すべりS=0.25におけるFig.8に固定子一次巻線の電流変化,Fig.9にトルク変化を示します。二極分モデル同様,方法 ①SUFCUR,②NETWORKで良い一致を示しています。180度モデルとの差は,0.002%未満と当たり前ですが非常に良い一致を示しています。このようにすると,一極分モデルで誘導機の解析を行うことができます。一極の周期性がある場合は,計算時の観点では一極分モデルが有利となります。SUFCUR,NETWORKのどちらの方法が良いのかはどこまで評価対象とするかによって異なると思いますので,適宜選択しご使用下さい。

Fig.8 固定子一次巻線の電流変化
(90度モデル)

Fig.9 トルク変化(90度モデル)

参考文献

  1. 竹内:「電気設計学」,オーム社
  2. 「回転機のバーチャルエンジニアリングのための電磁界解析技術」,電気学会技術報告 第776号 (2000)

この先は会員の方のみご覧いただけます。

既存ユーザのログイン