電磁界解析ソフトウェアEMSolution

シミュレーションツール
PSIMとの連成解析

はじめに

 EMSolutionは電磁場解析と外部回路系との連成や運動方程式との連成解析を行う機能を有しています。しかし、複雑な電気、電子回路系を模擬するには力不足です。また、運動をフィードバック制御したりする制御回路を模擬することは困難です。これらの解析機能をEMSolution自体に持たせるためには多大の開発期間が必要と考えられます。このため、汎用の回路・制御シミュレータとEMSolutionを連成させて解析するのが現実的であると考えています。ここでは、シミュレーションツールPSIM(Powersim Inc.開発、Mywayプラス(株)販売)をEMSolutionと連成させた例を紹介します。PSIMには、Dynamic Link Library (dll)により外部コードと連成させる機能があり、EMSolutionとの連成も比較的容易に行えます。

連成の方法

電気回路系の連成

EMSolutionには、電磁場解析と連成する電気回路系の解析機能を有しています。その中に電圧源があり、従来は電圧の時間変化を入力として与えるも のとしています。この電圧をPSIMで計算しEMSolutionへの入力とします。EMSolutionでは、電磁場を含めた解析を行い、電圧源の電流 を求めPSIMに返します(Fig.1)。このように、PSIMとEMSolutionの間で電圧と電流をやり取りして、ステップを進めてゆきます。
PSIMにおいては、EMSolutionの電圧源に対応するものが電流源(Voltage-controlled current source)によって表されます。その両端の電圧はVoltage-controlled voltage sourceによって得られ、EMSolutionに渡されます。

Fig.1 電気回路系の連成

 EMSolution内部には、有限要素法と直接連成するFEM要素が含まれ、他のいくつかの回路要素を含めることが出来ます。このため、PSIMとEMSolutionのどちらに回路要素を含ませるかには自由度があります。EMSolutionに用意されている要素(例えば抵抗、インダクタンス、キャパシタンス等)は、EMSolution側に入れたほうが良いようです。これは、EMSolution側では電圧源となっており、EMSolution側の回路はインピーダンスが高いほうが精度が良いと考えられます。
 電磁場解析を行うEMSolutionと電気回路計算を行うPSIMの時間ステップを等しくするのが好ましいと思われますが、そうしますと多くの場合PSIMで解析される電気回路系の時定数がEMSolutionで解かれる電磁場系の時定数に比べ小さく、EMSolutionの時間ステップをPSIMの時間ステップに合わせて小さくする必要があります。しかし、EMSolutionの解析は有限要素法解析を含み、PSIMの計算に比べ多大の計算時間が必要となります。このため、実際にはFig.2に示すようにEMSolutionの解析時間ステップは、PSIMの時間ステップに比べ大きくせざるを得ません。EMSolutionの解析時間ステップ$Δ_{EMS}$はPSIMの時間ステップ$Δ_{PSIM}$の整数倍として設定します。PSIMではEMSolutionからの電流入力により、$Δ_{PSIM}$のステップで電圧が計算されますが、EMSolutionでは$Δ_{EMS}$毎に電流を計算し、$Δ_{PSIM}$間はその値がホールドされるとしてPSIMに引き渡します。EMSolutionでは陰解法回路計算を行いますので、比較的大きな時間ステップでも不安定性は起こらず精度が保たれると考えられます。ただし、PSIMでは電流値が階段状となりますので、注意が必要です。

Fig.2 時間ステップとデータの受け渡し

運動方程式の連成

 EMSolutionには運動方程式を解く機能がありますが、位置や速度に対して複雑な演算を伴う力が加わるような場合は、PSIMの機能を使用したほうが良いと考えられます。PSIMでは運動方程式を回路方程式に焼きなおし、回路として解析を行います。
次の運動方程式を考えます。

$$ m \ddot{z} + d \dot{z} + s ( z – z_s ) = F – mg    (1) $$

ここで、$m$、$g$、$s$、$z_x$、$d$ははそれぞれ、質量、重力加速度、スプリング係数、スプリング平衡位置およびダンパー係数です。$F$は外力であり、今の場合電磁力を表します。一方、Fig.3の回路に対して、
$$ \displaystyle C \ddot{V} + \frac{\dot{V}}{R} + \frac{( V – z_0 )}{L} = \dot{I}    (2)$$
の方程式が成り立ちます。ここで、$C$、$R$、$L$はキャパシタンス、抵抗、インダクタンスを表します。$z_0$はインダクタンスに直列に入る一定電圧です。(1)、(2)式を比較しますと、次の関連を付ければいいことが解ります。

$$\begin{eqnarray} \left. \begin{array}{l} \displaystyle V \leftrightarrow z \\ \displaystyle I \leftrightarrow \int^t_0 ( F – mg ) dt + m v_0     \\ \displaystyle C \leftrightarrow m \\ \displaystyle \frac{1}{R} \leftrightarrow d \\ \displaystyle \frac{1}{L} \leftrightarrow s \end{array} \right\}   (3) \end{eqnarray} $$

キャパシタンスの初期電圧が初期位置、積分器の初期値が運動量初期値に対応します。
PSIMで計算された位置がEMSolutionに引き渡され、その位置での電磁力(回転系の場合は電磁トルク)がEMSolutionで計算され、PSIMに戻されます。時間ステップは、Fig.2の関係となり、電圧と電流を位置と電磁力に置き換えた形になります。
EMSolutionで運動方程式の計算をするものの、PSIMにおいて位置を制御回路にFeedbackできるように、位置や電磁力をPSIMに引き渡す機能も備えました。

Fig.3 運動方程式等価回路

解析例

プランジャーモデル

Fig.4で示す"プランジャーモデルの解析" をPSIMと連成して解きます。

Fig.4 プランジャーモデル

電気回路系の連成

EMSolutionとPSIMを連成し、電気回路系のみをPSIMで計算した場合のPSIMモデルをFig.5に示します。今の場合、EMSolutionの回路はPSIMからの電圧を与える電圧源とCoilを表すFEM要素のみからなります。時間ステップは、$Δ_{PSIM}$ = 0.05ms、$Δ_{EMS}$ = 0.5msとしました。PSIMでは出力変数を指定することが出来、実行後PSIMに付属する計算結果可視化ツールSimviewでグラフ化できます。 Simviewで、グラフ上で値を読んだり最大値や平均を求めたりすることが可能です。Fig.6にSimviewで表示した各要素の電流時間変化を示します。Fig.7、8にEMSolution単独で解析した場合とPSIMと連成させた場合との比較を示しますが、よく一致しており、解析が妥当なものになっていることが解ります。

Fig.5 プランジャーモデル
電気回路モデル

Fig.6 プランジャーモデル
解析結果Simview出力

Fig.7 EMSolution単独による
解析結果

Fig.8 PSIMとの連成による
解析結果

運動方程式の連成

 前項とは逆に、運動方程式のみをPSIMに計算させた場合を示します。運動方程式のPSIMモデルは、Fig.3のものを使用しております。 EMSolutionではプランジャーが壁面で反射した場合も計算できますが、PSIMでそれをモデル化するのは容易ではありませんので、壁面に到達するまでを模擬しました。
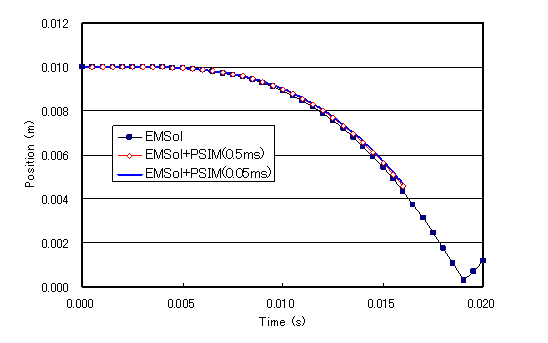
 Fig.9、10に電磁力と位置の変化をEMSolution単独で解析した場合と、運動方程式をPSIMで解いた場合の比 較を示します。PSIMの時間ステップをEMSolutionの時間ステップ0.5msとその1/10にした場合について示します。PSIMの時間ステッ プを小さくしますと、電磁力が階段上になるのが目立ちますが、解析上PSIMの時間ステップの間ホールドされるだけで、結果としては大きな差はありません。位置の変化はPSIMと連成しますと若干差が出てきています。これは、Fig.9のように階段状に力が働くとみなされ、電磁力が弱くなった結果と思わ れます。EMSolutionでは、Fig.9でのように電磁力がステップ間で線形に変化するとして位置を求めます。このように、ステップ間でのデータの やり取りや計算法の違いにより、精度が低下することがあると思われます。より緊密な連成が出来ない限りやむを得ないと思われ、精度を上げるには、EMSolutionの時間ステップも小さくしてゆくしかないと考えられます。

Fig.9 電磁力の時間変化

Fig.10 プランジャー位置の
時間変化

電気回路と運動方程式の連成

 電気回路と運動方程式の両方をPSIMで計算させた場合を示します。PSIMモデルをFig.11に示します。EMSolutionは2入力2出力の General Dll Blockで表されます。EMSolutionには電圧と位置が入力され、電流と電磁力がPSIMに渡されます。PSIMには回路の一部を Subcircuitとして定義し、再利用して使うことが出来る機能があります。Fig.11に等価な二つのSubcircuitを用いて表したものを Fig.12に示します。電圧コントロールの電流ソースと、運動方程式の部分をBlock化しています。解析はプランジャーが壁面に衝突しないようにキャパシタンスの初期電圧を半分にして行いました。Fig.13、14にプランジャー位置および回路中の電流の時間変化を示します。EMSolution単独で解析したものと比較するとよく一致しています。

Fig.11 電気回路、運動PSIMモデル

(a)全体

(b)Current source subcircuit

(c)Dynamics subcircuit

Fig.12 Subcircuitを用いた電気回路、運動PSIMモデル

Fig.13 プランジャー位置時間変化

Fig.14 回路電流時間変化

ブラッシュレスサーボモータモデルの解析

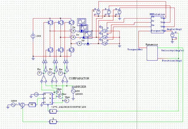
 ブラッシュレスサーボモータモデルを用いて回転制御のシミュレーションを行います。モデルは、Fig.15に示す"直流ブラシレスサーボモータの解析(スイッチ機能を使用)"を用います。回転速度を電源にFeedbackして回転速度の制御を行います。

Fig.15 ブラッシュレスサーボモータ有限要素モデル

回転速度を電源電圧にFeedbackさせる制御

 Fig.16に示すモデルを用います。運動方程式はFig.17のようにSubcircuit化しています。このSubcircuitはトルクを入力として、回転位置および速度を出力します。制御系は回転位置を位相レファレンスとし、回転速度と速度指令との差をPI(比例積分)信号とし、q軸成分からu、 v、w各相の電圧指令とします。速度指令としては、数表で与えられる折れ線で時間変化を与えています。各相はY字結線され、EMSolutionと結合する電流源で表されています。EMSolutionは4入力4出力で、各相電圧および回転位置を入力とし、各相電流および電磁トルクを出力します。 EMSolutionで解析する回路はFig.18で示されます(PSIMの表示を使っていますが、EMSolution内で計算される回路です)。巻き線のインダクタンス、抵抗が含まれます。三相はY字結線されています。Y字結線がPSIM側とEMSolution側で二重に定義されることになります。 三相の電流が平衡(電流和が零)する必要があるのでこのようにしています。
Fig.17では3個のオシロスコープを定義し、解析中に回転位置、速度、トルクをモニタできるようにしています。Fig.19にモニタされたオシロスコープ出力を示します。計算中に経過を見ることが出来、PSIMの便利な機能といえます。EMSolutionのモニタとして活用できるかと思います。経過に異常があった場合、計算を途中で停止したり中止したりすることも出来ます。
Fig.20に速度指令と結果としての速度変化を比較しています。非常によく一致しており、制御回路がうまく働いています。Fig.21に各相の電流変化を示します。

Fig.16 ブラッシュレスサーボモータ
PSIMモデル

Fig.17 運動系Subcircuit

Fig.18 EMSolutionの電気回路

(a) 回転位置

(b) 回転速度

(c) トルク

Fig.19 オシロスコープ出力

Fig.20 回転子位速度と速度指令との比較

Fig.21 コイル電流時間変化

インバータ電源を用いた場合

 前項の電圧源をインバータ電源に置き換えた場合をシミュレートします。PSIMのモデルはFig.22のようにしています。CARRIER周波数は 10kHz、振幅50Vののこぎり波を使用しています。速度指令は3600deg/s=10rpsとし、ステップ応答を解析します。時間ステップは EMSolutionとPSIM両方に対し同じとし、キャリア周期の1/10で10μsとしています。EMSolution側の解析でコイル電圧がキャリア周期の矩形波となりますので時間ステップを大きく取ることは困難だと考えられるためです。

Fig.22 インバータ電源を用いたPSIMモデル

(a) 回転角度

(b) 回転速度

(c) 電圧指令値

(d) コイル電流

Fig.23 各種時間変化

(a) u相キャリア信号
(電圧指令値との比較後、Fig.22内のEu)

(b) u相コイル電流

Fig.24 u相のキャリア信号とコイル電流時間変化詳細

おわりに

 本報告では、シミュレーションツールPSIMとの連携による磁場解析について述べました。PSIMを連成させることにより、電気回路、運動方程式および制 御回路を同時に解けることをご理解いただけたかと考えます。PSIMと連成させた場合と、EMSolution単独で計算した場合、結果は良く一致し、本方法が妥当なものであることが示せたと考えます。逆に、EMSolutionの電気回路や運動系の解析が妥当なものであったことが検証できたと考えます。また、PSIMの機能についても本解析に関連して紹介しましたが、PSIMモニタ機能はEMSolution実行時にも表示することができるため便利に使用できます。本報告で使いましたモデルは二次元モデルであり、また、あまり現実的なものではありませんでしたが、本法の利点の一端はご理解いただけたものと思います。
なお、PSIMはWindowsのみで稼動しますので、EMSolutionもWindowsで実行する必要があります。連成解析にはPSIM実行モジュールとEMSolution Dll版が必要となります。現状、Linuxでのシステムは考えていません。汎用の回路・制御シミュレータには、PSIM以外も考えられます。解析手続きは他のシミュレータでも大きく変わらないと考えられまので、ご要望があれば対応してゆきたいと考えます。

この先は会員の方のみご覧いただけます。

既存ユーザのログイン